web stats

Century IV Autopilot Wiring: Nautical DIY Guide! The complete guide to wiring a minn kota autopilot: step-by-step ...

If you are looking for The Complete Guide to Wiring a Minn Kota Autopilot: Step-by-Step you've visit to the right web. We have 25 Pictures about The Complete Guide to Wiring a Minn Kota Autopilot: Step-by-Step like Century 4000 Autopilot - www.AvionixHelp.com, Century IV Autopilot - Avidyne Online Community and also Mitchell Century IV Flight Programmer Autopilot Control Head 1C497-6. Here it is:

The Complete Guide To Wiring A Minn Kota Autopilot: Step-by-Step

The Complete Guide to Wiring a Minn Kota Autopilot: Step-by-Step elecschem.com

The Complete Guide to Wiring a Minn Kota Autopilot: Step-by-Step ...

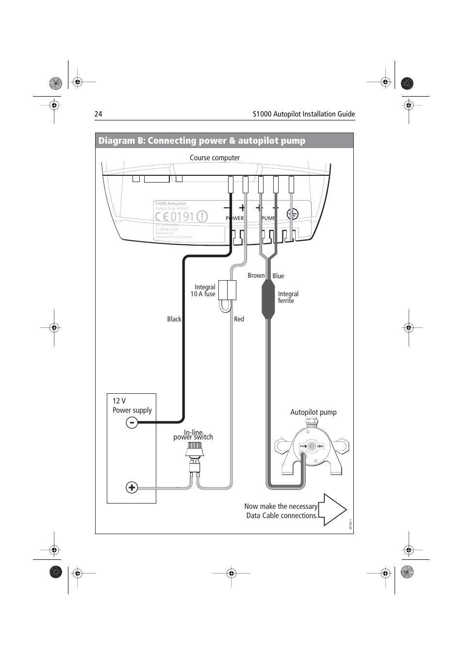
Century Iv Autopilot Installation Manual - Alernaseastern

Century iv autopilot installation manual - alernaseastern alernaseastern.weebly.com

Century iv autopilot installation manual - alernaseastern

AIRCRAFT CENTURY 21 AUTOPILOT COMPUTER/CONTROLLER W/ WIRING AND PLUGS

AIRCRAFT CENTURY 21 AUTOPILOT COMPUTER/CONTROLLER W/ WIRING AND PLUGS www.ebay.com

AIRCRAFT CENTURY 21 AUTOPILOT COMPUTER/CONTROLLER W/ WIRING AND PLUGS ...

The Complete Guide To Wiring A Minn Kota Autopilot: Step-by-Step

The Complete Guide to Wiring a Minn Kota Autopilot: Step-by-Step elecschem.com

The Complete Guide to Wiring a Minn Kota Autopilot: Step-by-Step ...

Purchase Century Flight Systems Century 41 Autopilot Mode Programmer

Purchase Century Flight Systems Century 41 Autopilot Mode Programmer www.2040-parts.com

Purchase Century Flight Systems Century 41 Autopilot Mode Programmer ...

CubePilot-Ecosystem-Autopilot-Wiring-Diagram | Bask Aerospace

CubePilot-Ecosystem-Autopilot-Wiring-Diagram | Bask Aerospace baskaerospace.com.au

CubePilot-Ecosystem-Autopilot-Wiring-Diagram | Bask Aerospace

AIRCRAFT CENTURY 21 AUTOPILOT COMPUTER/CONTROLLER W/ WIRING AND PLUGS

AIRCRAFT CENTURY 21 AUTOPILOT COMPUTER/CONTROLLER W/ WIRING AND PLUGS www.ebay.com

AIRCRAFT CENTURY 21 AUTOPILOT COMPUTER/CONTROLLER W/ WIRING AND PLUGS ...

Century IV Autopilot Flight System Pilot's Operating Handbook 68S82 PDF

Century IV Autopilot Flight System Pilot's Operating Handbook 68S82 PDF eaircraftmanuals.com

Century IV Autopilot Flight System Pilot's Operating Handbook 68S82 PDF

Century 1 Autopilot Wiring Diagram Pdf

Century 1 Autopilot Wiring Diagram Pdf enginerileyetchants.z14.web.core.windows.net

Century 1 Autopilot Wiring Diagram Pdf

Edo-Aire Century IV AutoPilot- Flight Director Pilot's Handbook (68S82

Edo-Aire Century IV AutoPilot- Flight Director Pilot's Handbook (68S82 www.esscoaircraft.com

Edo-Aire Century IV AutoPilot- Flight Director Pilot's Handbook (68S82 ...

Edo Aire Mitchell Century IV Autopilot Pitch Servo P/N 1C470-1-303P (1

Edo Aire Mitchell Century IV Autopilot Pitch Servo P/N 1C470-1-303P (1 safeskiesparts.com

Edo Aire Mitchell Century IV Autopilot Pitch Servo P/N 1C470-1-303P (1 ...

AIRCRAFT CENTURY 21 AUTOPILOT COMPUTER/CONTROLLER W/ WIRING AND PLUGS

AIRCRAFT CENTURY 21 AUTOPILOT COMPUTER/CONTROLLER W/ WIRING AND PLUGS www.ebay.com

AIRCRAFT CENTURY 21 AUTOPILOT COMPUTER/CONTROLLER W/ WIRING AND PLUGS ...

Maintenance & Avionics - Attitude Source For A Century Autopilot

Maintenance & Avionics - Attitude source for a Century autopilot www.euroga.org

Maintenance & Avionics - Attitude source for a Century autopilot

Century 1 Autopilot Wiring Diagram Pdf

Century 1 Autopilot Wiring Diagram Pdf enginerileyetchants.z14.web.core.windows.net

Century 1 Autopilot Wiring Diagram Pdf

Century IV Autopilot - Avidyne Online Community

Century IV Autopilot - Avidyne Online Community forums.avidyne.com

Century IV Autopilot - Avidyne Online Community

EDO AIRE MITCHELL Century IV Autopilot Pitch Servo P/N 1C470-1-303P

EDO AIRE MITCHELL Century IV Autopilot Pitch Servo P/N 1C470-1-303P picclick.fr

EDO AIRE MITCHELL Century IV Autopilot Pitch Servo P/N 1C470-1-303P ...

Century 2000 Autopilot Installation Manual - Ifile

Century 2000 Autopilot Installation Manual - ifile filemix935.weebly.com

Century 2000 Autopilot Installation Manual - ifile

Century 4000 Autopilot - Www.AvionixHelp.com

Century 4000 Autopilot - www.AvionixHelp.com www.avionixhelp.com

Century 4000 Autopilot - www.AvionixHelp.com

Maintenance & Avionics - Attitude Source For A Century Autopilot

Maintenance & Avionics - Attitude source for a Century autopilot www.euroga.org

Maintenance & Avionics - Attitude source for a Century autopilot

Mitchell Century IV Flight Programmer Autopilot Control Head 1C497-6

Mitchell Century IV Flight Programmer Autopilot Control Head 1C497-6 www.ebay.ca

Mitchell Century IV Flight Programmer Autopilot Control Head 1C497-6 ...

Autopilot Cross Reference – Avionics Resource

Autopilot Cross Reference – Avionics Resource avionicsresource.com

Autopilot Cross Reference – Avionics Resource

Edo Aire Mitchell Century IV Autopilot Glide Slope Coupler P/N 1C775

Edo Aire Mitchell Century IV Autopilot Glide Slope Coupler P/N 1C775 safeskiesparts.com

Edo Aire Mitchell Century IV Autopilot Glide Slope Coupler P/N 1C775 ...

Century IV Autopilot Flight System Pilot's Operating Handbook 68S82 PDF

Century IV Autopilot Flight System Pilot's Operating Handbook 68S82 PDF eaircraftmanuals.com

Century IV Autopilot Flight System Pilot's Operating Handbook 68S82 PDF

CubePilot Ecosystem Autopilot Wiring Diagram Puzzle Set – IR-LOCK

CubePilot Ecosystem Autopilot Wiring Diagram Puzzle Set – IR-LOCK irlock.com

CubePilot Ecosystem Autopilot Wiring Diagram Puzzle Set – IR-LOCK

Century 1 Autopilot Wiring Diagram Pdf

Century 1 Autopilot Wiring Diagram Pdf wiredatamonicacos2008sq.z22.web.core.windows.net

Century 1 Autopilot Wiring Diagram Pdf

Edo aire mitchell century iv autopilot pitch servo p/n 1c470-1-303p .... Maintenance & avionics. Century 4000 autopilot